Sistem Monitoring dan Kontrol Pengering Kopi Berbasis IoT dengan ESP32 Fuzzy

Robotika

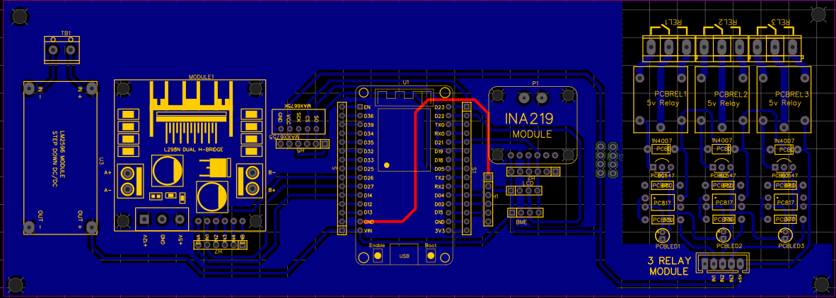
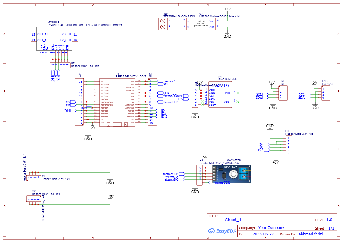
Proyek ini merupakan sistem otomatisasi pengering kopi berbasis Internet of Things (IoT) menggunakan ESP32. Sistem ini dapat memantau dan mengontrol suhu, kelembaban, arus listrik, tegangan, dan kecepatan motor (RPM). Data sensor dikirim secara real-time ke Firebase dan juga ke API eksternal (Azure) untuk pemrosesan lebih lanjut atau integrasi sistem.

Fitur Utama:

Sensor dan Monitoring:

MAX6675: Mengukur suhu dari thermocouple untuk suhu pengering.

BME280: Mengukur suhu dan kelembaban lingkungan.

INA219: Mengukur arus dan tegangan dari beban.

RPM Sensor: Menghitung kecepatan putaran motor pengering.

LCD I2C: Menampilkan data sensor secara bergantian dalam beberapa halaman.

Aktuator dan Kontrol Otomatis:

Relay: Menghidupkan/mematikan Heater, Kipas, dan Motor Stop.

Motor Driver BTS7960: Mengontrol kecepatan motor pengering menggunakan PWM.

Logika Otomatis:

Jika suhu > 60°C → Fan menyala, Heater mati, Motor berhenti.

Jika suhu < 60°C → Heater menyala, Fan mati, Motor bergerak dengan kecepatan yang dihitung menggunakan logika fuzzy.

Komunikasi dan Pengiriman Data:

Firebase RTDB:

Mengirim data sensor secara real-time ke Firebase Database.

Autentikasi pengguna dengan email & password.

HTTPClient ke Azure API:

Mengirim data setiap 5 menit ke endpoint Azure https://pengeringkopiiot.azurerobotic.my.id/api/getdatasensor.

Fitur Tambahan:

Sistem akan mencoba menyambung ulang ke WiFi jika koneksi terputus.

Data ditampilkan ke Serial Monitor untuk debugging.

Manfaat Proyek:

Efisiensi Energi: Heater dan Fan dikontrol otomatis berdasarkan suhu.

Kualitas Produk: Memastikan pengeringan kopi optimal dengan monitoring suhu & kelembaban.

Remote Monitoring: Dapat dipantau dari Firebase & platform eksternal.

Skalabilitas: Sistem ini bisa dikembangkan untuk pengeringan komoditas lain.

Teknologi yang Digunakan:

Komponen Fungsi
ESP32 Mikrokontroler utama dan WiFi
MAX6675 + Thermocouple Sensor suhu pengering
BME280 Sensor suhu & kelembaban lingkungan
INA219 Sensor arus dan tegangan
BTS7960 Driver motor DC
LCD I2C 20x4 Tampilan informasi
Firebase Realtime Database Penyimpanan cloud IoT
HTTP Client Komunikasi ke API Azure
ArduinoJson Format JSON untuk pengiriman data

 

Kemungkinan Pengembangan:

Integrasi panel surya sebagai sumber daya alternatif.

Penambahan mode manual/otomatis melalui aplikasi.

Dashboard visualisasi data menggunakan Web App atau Mobile App.

Sistem notifikasi (misal Telegram atau WhatsApp) jika suhu terlalu tinggi atau rendah.

Monitoring kebanjiran Via Telegram

Monitoring kebanjiran Via Telegram

Internet of Things
Sepic Conventer & Monitoring SOC Web

Sepic Conventer & Monitoring SOC Web

Internet of Things
sistem keamanan pintu Menggunakan RFID dan keypad

sistem keamanan pintu Menggunakan RFID dan keypad

Internet of Things
Reporting Expense Claims dengan Power BI di PT Agincourt Resources (PTAR)

Reporting Expense Claims dengan Power BI di PT Agincourt Resources (PTAR)

Business Intelligence
Reporting Tool Management  dengan Power BI di PT Agincourt Resources (PTAR)

Reporting Tool Management dengan Power BI di PT Agincourt Resources (PTAR)

Business Intelligence
Reporting E-BUDGET ONLINE SYSTEM dengan Power BI di PT Agincourt Resources (PTAR)

Reporting E-BUDGET ONLINE SYSTEM dengan Power BI di PT Agincourt Resources (PTAR)

Business Intelligence